江南官方端网站登录入口微信公众号
官方微商城
服务热线
400-777-2203
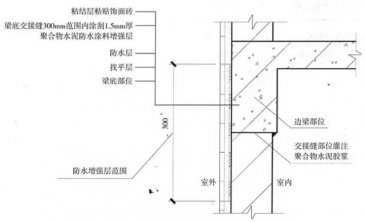
如何预防和处理外墙梁墙交接缝渗漏
如何预防和处理脚手架残留件、临时施工孔洞及预埋件未作防水密封处理引起渗漏
如何预防和处理穿墙管周边渗漏
屋顶防水保温工程解决方案大探讨
如何预防和处理混凝土外墙对拉螺孔渗漏